- 集团网站
- 选择区域/语言
登录
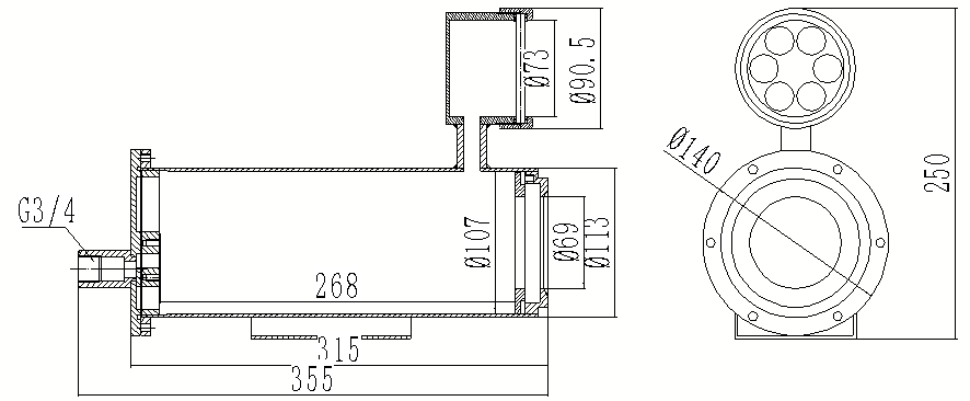
型号 |
IPC-FB8510-RW |
内腔尺寸 |
268(L)*70(W)*70(H)mm |
外形尺寸 |
355(L)*Ø140(W)*250(H)mm |
材料 |
外壳304或316L不锈钢 |
防护等级 |
防护等级 IP68 |
安装方式 |
壁装 |
供电方式 |
DC12V |
接口 |
1 个 3/4" 出线孔 |
红外距离 |
50M |
重量 |
4.2Kg |
